Индукционные кухонные плиты прочно занимают место на наших кухнях, вытесняя обычные электрические. И все благодаря их быстрому нагреванию, малому потреблению электроэнергии и практически мгновенному остыванию рабочей поверхности. Вы задумывались когда-нибудь, как работает такая плита. В нашей статье мы расскажем вам, как самому сделать индукционный нагреватель. Конечно, картошки на нем не сваришь, но стакан чая вскипятить вполне возможно.
Содержание:
Материалы для изготовления
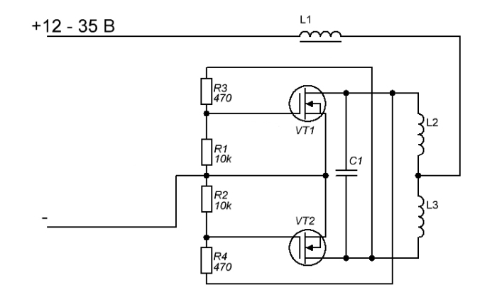
Для того, чтобы сделать индукционный нагреватель, вам понадобятся:
- медная проволока сечением 1,5 мм;
- два полевых транзистора и радиаторы охлаждения для них;
- конденсатор (или несколько), общая емкость батареи — 2,5 мкФ;
- по два резистора на 10 кОм и 470 Ом;
- источник питания (аккумуляторная батарея) на 12 В;
- изолированные провода;
- паяльник;
- два стержня диаметрами 70 и 25 мм;
- деревянный брусок;
- термосмазка;
- плоскогубцы.
Индукционный нагреватель будем собирать по следующей схеме навесным монтажом.

Схема
Шаг 1. Делаем индуктор и катушку индуктивности
На стержень диаметром 70 мм наматываем три витка медной проволоки, оставляя края прямыми, для последующих соединений. Всего нужно сделать две таких заготовки.

Источник: https://youtu.be/dNSpdT4qLTc
Паяльником залуживаем края.
На стержне диаметром 25 мм наматываем катушку из 10 витков.
Спаиваем между собой два выхода больших катушек.

Источник: https://youtu.be/dNSpdT4qLTc
Шаг 2. Собираем индукционный нагреватель
Подсоединяем полевые транзисторы к радиаторам, предварительно обработав место соединения термосмазкой.
На медные провода собираем батарею из конденсаторов. Общая емкость батареи должна быть 2,5 мкФ.

Источник: https://youtu.be/dNSpdT4qLTc
Концы проволоки на одном из краев батареи изгибаем, и припаиваем к ним средними ножками (drain-сток) полевые транзисторы.
Правые ножки транзисторов (source-исток) загибаем вверх и спаиваем между собой кусочком медной проволоки.

Источник: https://youtu.be/dNSpdT4qLTc
Подпаиваем резисторы, соединяя левую ножку (gate-затвор) одного транзистора со стоком второго резисторами 10 кОм, а затворы и истоки каждого транзистора – резисторами 470 Ом.

Источник: https://youtu.be/dNSpdT4qLTc
Со второго конца конденсаторной батареи припаиваем индуктор.
К среднему выводу индуктора припаиваем катушку индуктивности.
Подсоединяем провода питания: один – к проволоке, соединяющей истоки транзисторов, второй – ко второму концу катушки индуктивности.

Источник: https://youtu.be/dNSpdT4qLTc
Прикрепляем саморезами индукционный нагреватель к деревянному бруску. Для удобства подключения источника питания устанавливаем клеммную колодку.
Шаг 3. Проводим испытание
Учитывая полярность, подключаем к нагревателю аккумуляторную батарею.
Помещаем в центр индуктора любой металлический предмет.

Источник: https://youtu.be/dNSpdT4qLTc
Металл накалился докрасна. Сам же индуктор остался практически холодным.
Индукционным нагревателем можно вскипятить воду в пластиковом стаканчике, положив туда металлическую шайбу.

Источник: https://youtu.be/dNSpdT4qLTc
Делаем индукционный нагреватель своими руками
Индукционный нагреватель ? своими руками | Рабочая схема

